Opis
Wyłącznik krańcowy XTZ-8108
- Znajduje zastosowanie w systemach automatyki, mechaniki, układach kontrolnych i pomiarowych, obrabiarkach CNC, itp.
- Spodnia część obudowy wykonana jest ze stopu aluminium i żelaza, wierzchnia z tworzywa sztucznego
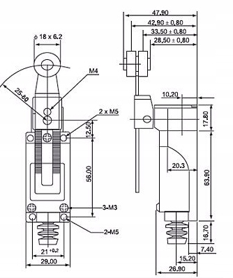
- Krańcówka posiada cztery otwory z gwintem M5
- Podłączony przewód chroni gumowy dławik
- Nasz towar jest bardzo wysokiej jakości i dlatego objęty jest 2 letnią gwarancją (firmy 1 rok)
- Obudowa posiada stopień ochrony IP65
Parametry techniczne:
- Rodzaj głowicy i ramienia: z dźwignią (rolka fi 18mm)
- Długość dźwigni: regulowana (20-72mm)
- Konfiguracja wyjścia: 1NO+1NC
- Parametry styków: 6A/380VAC lub 0.3A/230VDC
- Materiał obudowy: metal, tworzywo sztuczne
- Temperatura pracy: -25…70°C
- Trwałość mechaniczna: min. 3 000 000 przełączeń
- Paragon lub faktura
Krańcówka o bardzo wytrzymałej budowie! Przeznaczona do maszyn przemysłowych, pracujących ciągle!













Opinie
Na razie nie ma opinii o produkcie.